КОСМОДРОМ - Электронные компоненты для разработки и производства - Харьков - Украина


 


Как купить...     


 

 

EnglishRussianUkrainian

Обратите внимание: запущена новая версия сайта

Перейти в корзину

Специальное предложение со склада на продукцию STMicroelectronics — микроэлектронной компании, одной из крупнейших, занимающихся разработкой, изготовлением и продажей различных полупроводниковых электронных и микроэлектронных компонентов

Уважаемые покупатели. В связи с систематическими отключениями электроэнергии возможны задержки с отгрузкой оплаченных заказов. Надеемся на ваше понимание

  

Нажми на картинку, чтобы увеличить ее


 


Фото может отличаться от реального вида предмета, но это не влияет на основные характеристики изделия
Электронный набор
Electronic Kit Light Control Heart
Электронный набор для самостоятельной сборки. Сердце. 18 светодиодов. с датчиком освещения.

На складе ...
код товара: 00-00073622

Кол-во

Цена без НДС, грн

Купить

от 1 шт
от 6 шт
от 24 шт

96,00
89,22
82,84

Раздел:
Электронный набор


 

Набор для самостоятельной сборки (DIY)

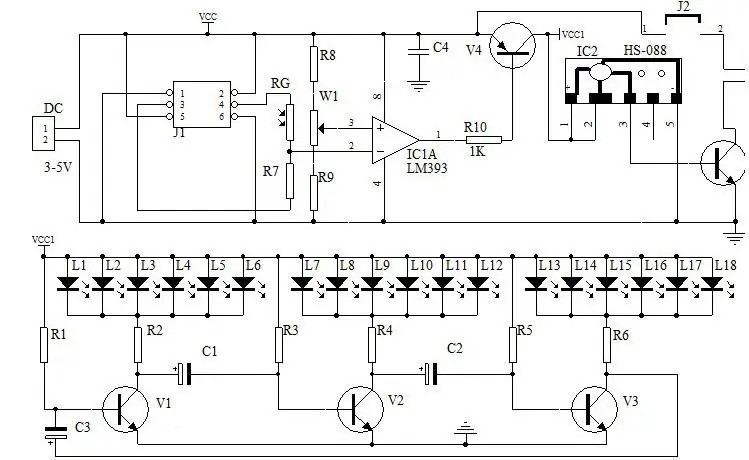
Данный набор предназначен для обучения основам пайки и сборки электронных устройств. После сборки устройство представляет собой декоративное сердце, которое реагирует на уровень освещённости: светодиоды начинают циклически мигать, одновременно воспроизводится музыка.

Набор подходит для начинающих радиолюбителей и учебных целей.

Основные параметры:

Напряжение питания
3 В — если используются только красные светодиоды
4.5–5 В — если используются светодиоды разных цветов

Фоторезистор
Сопротивление фоторезистора зависит от освещённости:
при ярком свете сопротивление уменьшается
при слабом освещении сопротивление увеличивается

Работа устройства:

В зависимости от уровня освещённости:
18 светодиодов циклически мигают
одновременно воспроизводится музыкальная мелодия

Режимы работы
Режим работы выбирается с помощью перемычки J1.

Режим включения при освещении
Если замкнуть контакты 1–3 и 2–4 разъёма J1, устройство работает следующим образом:
при увеличении освещённости уменьшается сопротивление фоторезистора возрастает напряжение на делителе с резистором R7 это напряжение подаётся на инвертирующий вход компаратора IC1A

Когда напряжение становится выше уровня на неинвертирующем входе:
компаратор формирует низкий уровень на выходе транзистор 8550 открывается питание подаётся на музыкальную микросхему схему мигания светодиодов
После этого устройство начинает воспроизводить музыку и мигать светодиодами.

Режим включения в темноте
Если замкнуть контакты 3–5 и 4–6 разъёма J1, схема работает наоборот:
при уменьшении освещённости увеличивается напряжение на делителе с R7 В этом режиме устройство включается при наступлении темноты.

Другие варианты соединения J1 не используются.

Управление звуком
Перемычка J2 управляет работой динамика. перемычка установлена — звук включён. перемычка снята — режим без звука


Настройка чувствительности
Подстроечный резистор W1 регулирует порог срабатывания по освещённости.

С его помощью можно: настроить реакцию схемы на нужный уровень света, избежать ложных срабатываний при слишком ярком или слишком слабом освещении.


Светодиоды
Резисторы R2, R4 и R6 являются токоограничивающими резисторами светодиодов.

Назначение:
R2 — для красных светодиодов
R4 — для жёлтых светодиодов
R6 — для третьей группы светодиодов
Если все светодиоды одного цвета, можно использовать резисторы одинакового номинала.

Важное правило установки светодиодов

Светодиоды разных цветов имеют разное прямое напряжение.
Поэтому:
в одной группе должны быть светодиоды только одного цвета

Например:
группа L1–L6 должна содержать 6 одинаковых светодиодов.

Если установить светодиоды разных цветов в одну группу, то:
светодиоды с более высоким напряжением включения не будут светиться.

Например:
красные светодиоды имеют меньшее напряжение включения жёлтые — большее
Если установить их вместе, жёлтые светодиоды могут не загореться.

 
 

















Макетные платы односторонние без маски
самый простой вариант макетной платы, когда устройство нужно собрать "на коленке", быстро проверить его работу

Макетные платы- адаптеры применяются для монтажа компонентов в различных корпусах

Макетные платы односторонние, цвет маски желтый
простой вариант односторонних макетных плат, цвет маски - желтый

Универсальные адаптеры-переходники с нулевым усилием

Макетные платы односторонние, цвет маски зеленый
простой вариант односторонних макетных плат, цвет маски - зеленый

Контактные макетные платы


Весь перечень макетных плат

Макетные платы односторонние, цвет маски зелёный, луженные контакты
простой вариант односторонних макетных плат, цвет маски - зеленый, для удобства монтажа компонентов контактные площадки покрыты слоем припоя

Отладочные платы и лабораторные комплексы

Макетные платы двухсторонние с металлизацией отверстий
высококачественные двусторонние макетные платы, имеется металлизация отверстий, качественная печать, пригодны для самых различных применений

Программаторы

Соединительный и монтажный кабель
Комплекты из соединительных перемычек, монтажные кабеля в бухтах, шлейфы с соединительными разъемами

Фольгированный стеклотекстолит для изготовления печатных плат

Отладочные платы и лабораторные комплексы
При изучении программировании микроконтроллеров очень важно не оставлять все в теории, а сразу же реализовывать идеи на практике. Можно делать это по разному, например, тестировать в симуляторах или собирать на макетной плате. Но самым удобным и способ ознакомления с микроконтроллерами является отладочная плата. Отладочная плата - это законченное устройство, в котором максимально задействованы все узлы микроконтроллера, имеет органы управления и контроля и служит для тестирования программ написанных для различных проектов.


Поставляемые компоненты











^ Наверх

Электронные компоненты для разработки и производства. Харьков, Украина

  Украинский хостинг - UNIX хостинг & ASP хостинг

радиошоп, radioshop, радио, радиодетали, микросхемы, интернет, завод, комплектующие, компоненты, микросхемы жки индикаторы светодиоды семисегментные датчики влажности преобразователи источники питания тиристор симистор драйвер транзистор, диод, книга, приложение, аудио, видео, аппаратура, ремонт, антенны, почта, заказ, магазин, интернет - магазин, товары-почтой, почтовые услуги, товары, почтой, товары почтой, каталог, магазин, Internet shop, база данных, инструменты, компоненты, украина, харьков, фирма Космодром kosmodrom поставщики электронных компонентов дюралайт edison opto светодиодное освещение Интернет-магазин радиодеталей г.Харьков CREE ATMEL ANALOG DEVICES АЦП ЦАП